|  Mechanical
     Music Digest  Gallery | 
 
| You Are Not Logged In | Login/Get New Account | 
| Please Log In.  Accounts are free! Logged In users are granted additional features including a more current version of the Archives and a simplified process for submitting articles. | |
 
|  |  |  |  |  |  |  | 
| MMD  Gallery  Tech  tuttle_Wur1203 | 
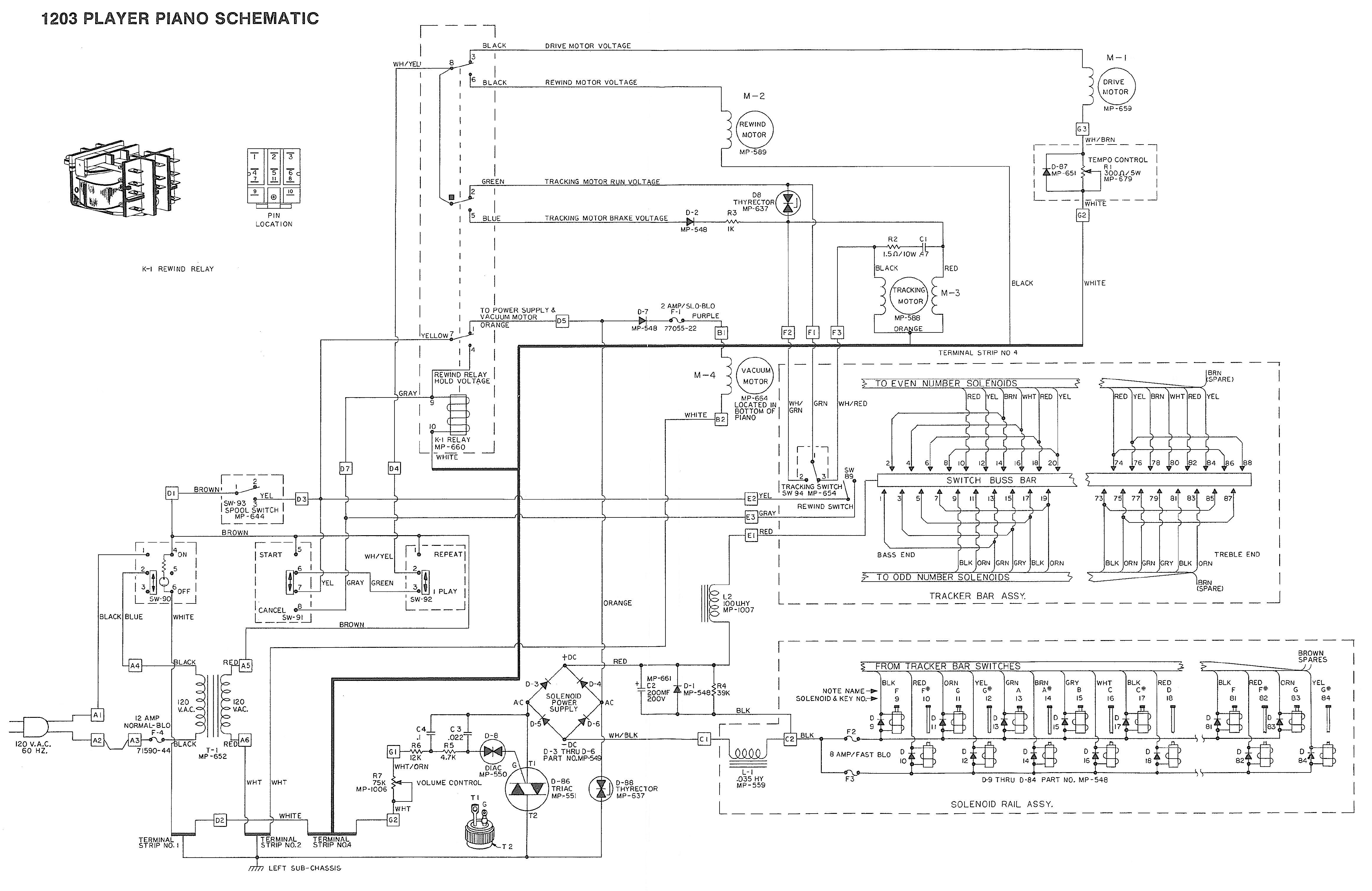
| by John A. Tuttle (120108 MMDigest) [ Nevin Engle wrote in 120106 MMDigest: > The 12 ampere fuse in the bottom was blown, but none of the others. ... As soon as the 'on' switch is depressed the fuse blows again. What is the likely culprit? Hi All, Blowing out a 12 ampere fuse indicates a significant short circuit. I'm surprised you can't see (or locate) a part in the system that looks overheated or charred. One of the first things you learn as an electronics technician is "don't replace a blown fuse and try it again until you've located the problem." The correct step to take after a large fuse has blown is to examine the schematic and determine which components in the system could possibly short and cause the large fuse to blow. Then you test those components with an ohmmeter. If you don't have the schematic drawing, or don't know how to read it, or don't have an ohmmeter, you're not qualified to work on the device. Be that as it may, I have sent the wiring diagram for the Wurlitzer 1203 to Robbie so he can put it in the technical section of the MMD web site. Frankly, as electrical systems go, the Wurlitzer isn't that complicated, and, looking at the schematic, the first thing I'd check are the diodes in the DC power supply. Musically,
 Wur1203_wiring.jpg  (1,314 kb)
  [ See also http://www.player-care.com/wurlnote.html
 | 
|  | 
|  | 
|  | 
|  | 
| CONTACT FORM: Click HERE to write to the editor, or to post a message about Mechanical Musical Instruments to the MMD Unless otherwise noted, all opinions are those of the individual authors and may not represent those of the editors. Compilation copyright 1995-2025 by Jody Kravitz. Please read our Republication Policy before copying information from or creating links to this web site. Click HERE to contact the webmaster regarding problems with the website. | 
|  | ||||||
| 
 
 |