by Richard Vance

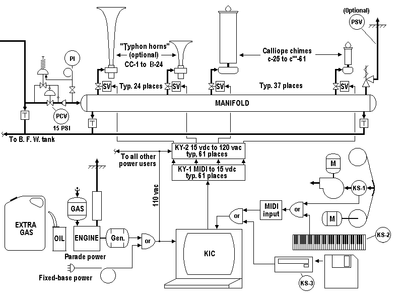
PI - pressure gage
WI - weight gage
LG - leve glass gage
PCV - pressure control valve (a self-contained regulator)
PSV - pressure safety valve
JE - flame detector element
PIC - pressure indicating controller, analog (modulates the boiler
flame to control the boiler pressure)
PV - pressure valve
SV - solenoid valve (electric-controlled valve)
LAL - alarm, low-level
LALL - alarm, very low level
PAHH - alarm, very high pressure
LSH - switch
LSL -
LSLL -
PSH -
KS - switch, programmer or signal input
KY - relay or signal converter
KIC - controller, indicating (the computer)
Return to MMD Calliope
Page
14 August 2001
