designed by Laurent Corey, Portland, OR
sold by MIDIator System, San Diego CA
data compiled by Robbie Rhodes
UM1 Universal MIDI Interface
PD1 perforator controller
[image needed here]
UM1 Universal MIDI Interface
The UM1 can be configured by the user either (1) to accept switch closure signals from 128 switches and output MIDI data at the standard bit rate to the MIDI wireline output connector, or (2) to accept MIDI wireline data and output switch closure signals to external devices such as organ valves. A related but smaller circuit board (designated UM0, I believe) is employed in the PowerRoll device produced by Larry Broadmoore.
Variations offered, and the prices in 1996, were
UM1
$249.00
UM1-P (higher-power version)
$279.00
UM1-64 (64 notes)
$198.00
UM1-BB (128 notes, no display, no enclosure)
$187.00
UM1-64-BB (64 notes, no display, no enclosure)
$157.00
UM2 [no data]
UM1 User's Manual (revision 4-July-1997) [[ yet to be compiled
]]
UM1 data sheet preliminary data
sheet 7/11/96
UM1 connector details
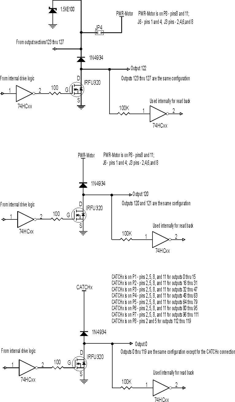
PD1 perforator controller
The PD1 circuit board accepts perforator control data from the host computer and outputs signals to 120 solenoids and the paper drive stepper motor. Synchronization to the perforator is by signals from a photo-interruptor and shutter on the perforator crankshaft. The system was a joint project developed by Laurant Corey and Wayne Stahnke. Laurant designed and produced the circuit board, Wayne provide the "Punch" software program and drivers. The circuit card was offered with driver transistors installed for all output channels (typically for organ use), or with 100 solenoid drivers plus 4 stepper motor driver transistors for use with a perforator. Prices in 1998 were
PD1-100 (104 outputs) $479.00
PD1-128 (128 outputs) $509.00
PD1man.html (18 kb) PD1 User manual (8-18-98) (18 kb) (HTML)
1N6267A-D.pdf (66 kb) Motorola
Zener diode family 1.5KExxxA (1N6267A) (PDF file)
mtd3055vlrev2a.pdf (210 kb)
Motorola power MOSFET MTD3055VL (PDF file)
PD1_Output_Configuration.gif
(23 kb)
PD1_Output_Configuration.jpg
(83 kb)
Errata, PD1 Output Configuration drawing:
1. The sketch shows power FET IRFU320 (100v?). The production
board uses a MTP3055VL (60v), case 369-07.
2. The PD1 output configuration sketch shows Zener diode 1.5KE100
(100v). The production board uses a 1.5KE51A (51v).
10 July 2001
